
Sensor gerak gelombang mikro DC 10-15 volt PD ganda untuk lampu tri-proof dan highbay
merek:
HAISENItem no.:
HD06VCRH 2Pesanan (MOQ):
100PCSpembayaran:
L/C, T/T, Western UnionAsal Produk:
ChinaSensor gerak gelombang mikro DC 10-15 volt PD ganda untuk lampu tri-proof dan highbay
Fitur:
Spesifikasi
Tegangan operasi | Tegangan 10-15 VDC |
Arus operasi | 30mA±5% |
Keluaran | DIM 1-10V |
Daya Satnd-by | <0,5W |
Area deteksi | 25%/50%/75%/100% |
Waktu tunggu | 5 detik/30 detik/1 menit/3 menit/5 menit/10 menit/20 menit/30 menit |
Ambang batas cahaya siang hari | 2Lux/10Lux/50Lux/Nonaktifkan |
Periode siaga | 0 detik/10 detik/30 detik/1 menit/5 menit/10 menit/30 menit/+∞ |
Tingkat peredupan siaga | 10%/20%/30%/50% |
Frekuensi gelombang mikro | 5,8GHz±75MHz |
Tenaga gelombang mikro | <0,3mW |
Sudut deteksi | 30°-150° |
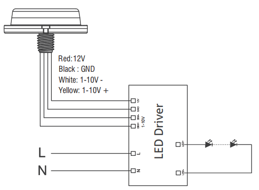
Garis kontrol | Merah 12V; Hitam GND; Putih 1-10V -; Kuning 1-10V+ |
Tinggi pemasangan | Maks. 15m/49,2 kaki |
Jangkauan deteksi | Maks. Ø14m/45,92 kaki |
Suhu pengoperasian | -20℃-+60℃ |
Seumur hidup | 50000 jam |
Peringkat IP | IP 65 |
sertifikat | RoHS CE |
ON/OFF Sensor cahaya siang hari Area deteksi Waktu tunggu Garansi 5 tahun Kontrol jarak jauh
Periode siaga Peredupan siaga 10-15m
tingkat Jalan Tol
Ukuran:
Sensor desain melingkar dengan tegangan operasi 10-15VDC untuk lampu tri-proof dan lampu highbay.
Diagram Pengkabelan:
Jalur kontrolnya adalah Merah 12V; Hitam GND; Putih 1-10V -; Kuning 1-10V+.
Sensor Senja/Fajar:
Teknologi Dual-PD menghadirkan sensor senja/fajar sepenuhnya otomatis yang dapat membedakan antara cahaya alami dan cahaya LED, untuk memastikan lampu akan mati saat dibutuhkan.
Cakupan deteksi:
Tinggi pemasangan dapat dicapai 15m/49,2 kaki dan jangkauan deteksi hingga diameter 14m/45,92 kaki.
Demo Aplikasi - Demo Fungsi-Kontrol hidup/mati:
Dengan cahaya siang yang cukup, Dengan cahaya siang yang tidak mencukupi, Setelah deteksi terakhir, cahaya akan
bahkan ketika gerakan terdeteksi, redup ke mode peredupan siaga
terdeteksi, lampu tetap MATI. lampu MENYALA. level setelah waktu tunggu.
Setelah masa siaga,
lampu MATI.
Aplikasi:
Itu sensor gerak dapat menembus sebagian besar objek seperti kaca, kayu, plastik tetapi logam. Tidak akan terpengaruh oleh suhu sekitar, debu dan banyak digunakan di kantor, koridor, pintu keluar kebakaran, gudang, ruang bawah tanah dan tempat pencahayaan dalam ruangan lainnya untuk menghemat energi.
Sebelumnya:
Detektor Gerak 12 Volt DC 5,8GHz ± 75MHz Frekuensi Gelombang Mikro Detektor Gerak yang Dapat DiredupkanBerikutnya:
Sensor Gelombang Mikro DC 5,8GHz 12V dengan Antena Batang dan Sakelar DIP 9Jika Anda memiliki pertanyaan atau saran, silakan tinggalkan pesan kepada kami, kami akan membalas Anda sesegera mungkin!
Kategori
Produk baru
Sensor PIR IP65 12V DC dengan fungsi prioritas siang hari Baca selengkapnya
Sensor MW/PIR yang Dapat Dipertukarkan untuk Highbay dan Lowbay Baca selengkapnya
Sensor PIR/MW yang Dapat Dipertukarkan untuk Highbay dan Lowbay Baca selengkapnya
Sensor Gerak Microwave Antena Batang dengan Sakelar Celup dan Fungsi Hidup Mati Liner Ukuran Kompak Baca selengkapnya
© Hak cipta: 2025 Microtionlight Semua hak dilindungi undang -undang.
Jaringan IPv6 didukung